R3G400AC3271

Kaavuton radiaalipuhallin. Varustettu energiaasäästävällä EC-moottorilla integroidulla käyttö- ja ohjauselektroniikalla.

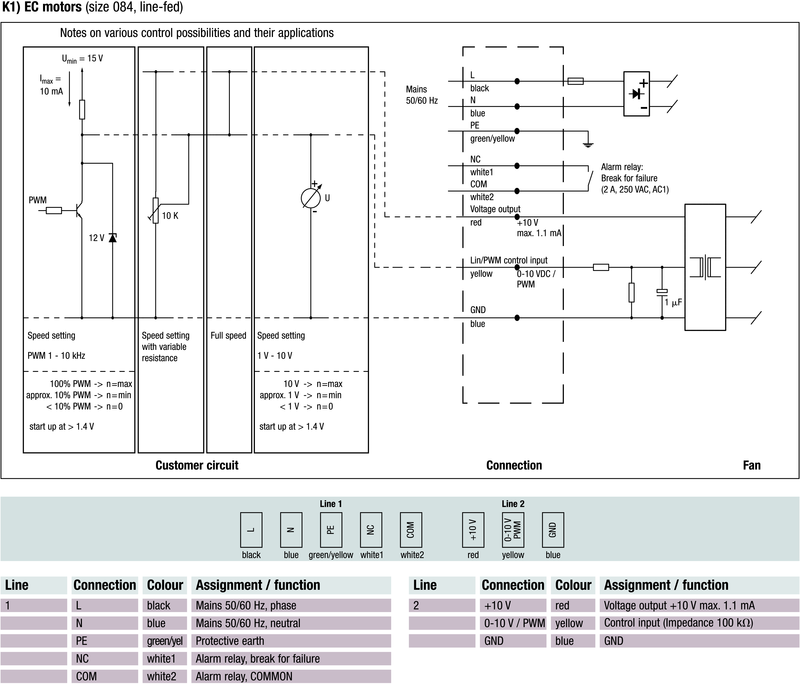
-Kierrosnopeutta ohjataan 0-10V signaalilla tai PWM:llä
-Ulostulo10 VDC maks. 1,1 mA
-Vuotovirta < 3,5 mA EN 61800-5-1 mukaisesti -Ei varustettu kondenssivesirei'illä -Hälytysrele EMC - Emissio EN 61000-6-3 mukaisesti - Immuniteetti EN 61000-6-1 mukaisesti - Sävy DIN EN 61000-3-2/3 mukaisesti

Tekninen tieto
Kuvaus EC-radiaalimoduuli Radipac, Airfoil-siipipyörä
Jännite 3~ 400 VAC
Jännitealue 3~ 380 … 480 VAC
Taajuus 50/60 Hz
Teho 1180 W
Nimellisvirta 1,8A
Maksimivirta 1,8 A
Kierrosluku 4000 rpm
Ilmavirta 1051.00 l/s
Imukartion K-arvo 76
Käyttölämpötila-alue -25…+40 °C
Pyörimissuunta Myötäpäivään roottoriin päin katsottuna
Moottorin tyyppi M3G084-DF
Moottorin malli Elektronisesti kommutoitu EC-ulkoroottorimoottori integroidulla ohjaustekniikalla
Moottorisuoja / Suoja Elektroniikan/moottorin ylikuumenemissuoja, moottorin virran rajoitus, alijännite-/vaihehäiriötunnistus, pehmeäkäynnistys, kondenssivesireiät
Suojausluokka IP55
Moottorin eristysluokka “F”
Laakerit Kuulalaakerit
Materiaali Elektroniikkakotelo alumiinipainevalu
Siipipyörä Muovia PA, taaksepäin kaartuvat siivet 6 kpl
Runko / kaapu Imukartio galvanoitua teräspeltiä
Jalusta Mustaksi maalattua terästä
Asennusasento Akseli vaakasuoraan tai roottori alas, roottori ylös pyynnöstä
Sähköinen kytkentä Johto 1000 mm
Äänenpaineen korjauskerroin 76
Hyväksynnät EN 61800-5-1;EN60335-1;C22.2 No.77+CAN/CSA-E60730-1;UL1004-7+60730
Koko 250 mm; imukartio ■ 400 mm
Paino 9.1 kg
Korvaa aikaisemmat mallit K3G250AY11C3/C2
Tuotenumero K3G250PR02J2
Tarvikkeet K3G250-PR02-J2 Radical AirFoil
RM-ECi Yleissäädin potentiometri 358-RMECI
RM-ECs Yleissäädin potentiometri RM-ECs
RM-ECv Yleissäädin potentiometri 358-RMECV
Paine-ero- ja virtausmittari Paine-ero- ja virtausmittari nopeussäätimellä DPC200-EP500

Tarvikkeet R3G400AC3271

Kaipaatko tukea sopivan tuotteen valintaan?