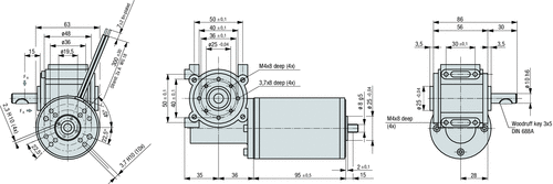
– DC-motor med snäckväxel
– Utgående axel lagrad kullager
– Fettsmörjning för underhållsfri drift
– Zinkgjutet växellådshus
– Livslängd 3000 timmar vid kontinuerlig drift (S1)
– DC-motor med snäckväxel
– Utgående axel lagrad kullager
– Fettsmörjning för underhållsfri drift
– Zinkgjutet växellådshus
– Livslängd 3000 timmar vid kontinuerlig drift (S1)
| Tekninen tieto | |
|---|---|
| Kuvaus | EC-radiaalimoduuli Radipac, Airfoil-siipipyörä |
| Jännite | 3~ 400 VAC |
| Jännitealue | 3~ 380 … 480 VAC |
| Taajuus | 50/60 Hz |
| Teho | 1180 W |
| Nimellisvirta | 1,8A |
| Maksimivirta | 1,8 A |
| Kierrosluku | 4000 rpm |
| Ilmavirta | 1051.00 l/s |
| Imukartion K-arvo | 76 |
| Käyttölämpötila-alue | -25…+40 °C |
| Pyörimissuunta | Myötäpäivään roottoriin päin katsottuna |
| Moottorin tyyppi | M3G084-DF |
| Moottorin malli | Elektronisesti kommutoitu EC-ulkoroottorimoottori integroidulla ohjaustekniikalla |
| Moottorisuoja / Suoja | Elektroniikan/moottorin ylikuumenemissuoja, moottorin virran rajoitus, alijännite-/vaihehäiriötunnistus, pehmeäkäynnistys, kondenssivesireiät |
| Suojausluokka | IP55 |
| Moottorin eristysluokka | “F” |
| Laakerit | Kuulalaakerit |
| Materiaali | Elektroniikkakotelo alumiinipainevalu |
| Siipipyörä | Muovia PA, taaksepäin kaartuvat siivet 6 kpl |
| Runko / kaapu | Imukartio galvanoitua teräspeltiä |
| Jalusta | Mustaksi maalattua terästä |
| Asennusasento | Akseli vaakasuoraan tai roottori alas, roottori ylös pyynnöstä |
| Sähköinen kytkentä | Johto 1000 mm |
| Äänenpaineen korjauskerroin | 76 |
| Hyväksynnät | EN 61800-5-1;EN60335-1;C22.2 No.77+CAN/CSA-E60730-1;UL1004-7+60730 |
| Koko | 250 mm; imukartio ■ 400 mm |
| Paino | 9.1 kg |
| Korvaa aikaisemmat mallit | K3G250AY11C3/C2 |
| Tuotenumero | K3G250PR02J2 |
| Tarvikkeet K3G250-PR02-J2 Radical AirFoil | |||
|---|---|---|---|
![]() |
RM-ECi | Yleissäädin potentiometri | 358-RMECI |
![]() |
RM-ECs | Yleissäädin potentiometri | RM-ECs |
![]() |
RM-ECv | Yleissäädin potentiometri | 358-RMECV |
![]() |
Paine-ero- ja virtausmittari | Paine-ero- ja virtausmittari nopeussäätimellä | DPC200-EP500 |
Tarvikkeet BCI 63.25 SC 15
Huomioi ErP-direktiivi!
ErP-direktiivi ei koske alle 125 W puhaltimia. Yli 125 W puhaltimien kohdalle on merkitty, läpäiseekö tuote direktiivin vaatimukset.