EC-radiaalimoduuli taaksepäin kaartuvin siivin, yhdeltä puolelta imevä, kannattimella.
– RadiCal AirFoil -siipipyörän korkea hyötysuhde
– GreenTech EC-moottori integroidulla elektoniikalla
– Optimoitu ilmavirtaus siipipyörän läpi tekee puhaltimesta erittäin hiljaisen
– Kestävä rakenne, pitkä huoltoväli
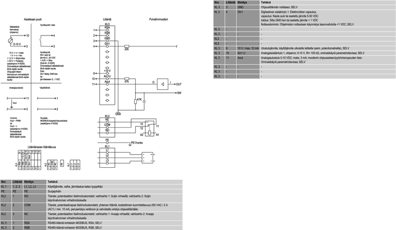
– Lähtö 10 VDC, maks. 10 mA
– Ulostulo orjalle 0-10 V
– Ulkoinen 24 V tulo (parametrointi)
– Ulkoinen vapautustulo
– Vikailmoitusrele
– Integroitu PID-säädin
– Tehonrajoitus
– Moottorin virran rajoitus
– PFC, passiivinen
– RS485 MODBUS-RTU
– Pehmeä käynnistys
– Ohjaustulo 0-10 VDC
– Ohjausliitäntä turvallisesti verkosta erotetulla SELV-potentiaalilla
– Elektroniikan / moottorin ylikuumenemissuoja
– Alijännite-/vaihehäiriötunnistus
– Ohjausliitäntä turvallisesti verkosta erotetulla SELV-potentiaalilla



